Buick Century Cooling Fan Not Working . the first thing you can do is check to make sure both of the cooling fan fuses are good. Turning the fan on is the. the first thing you can do is check to make sure both of the cooling fan fuses are good. connect a 12 volt power source directly to the fan and see if the fan comes on. If it does check the fuses, the fan relay. in most cases, a blown fuse or bad starter relay is responsible for a vehicle's radiator fan not turning on. cooling system works good when driving on freeway, but overheats when idling, slow speed driving, and engine compartment fan never turns on.
from seananonjopower.blogspot.com
Turning the fan on is the. in most cases, a blown fuse or bad starter relay is responsible for a vehicle's radiator fan not turning on. the first thing you can do is check to make sure both of the cooling fan fuses are good. If it does check the fuses, the fan relay. cooling system works good when driving on freeway, but overheats when idling, slow speed driving, and engine compartment fan never turns on. the first thing you can do is check to make sure both of the cooling fan fuses are good. connect a 12 volt power source directly to the fan and see if the fan comes on.
2000 Buick Century Radiator Seananon Jopower
Buick Century Cooling Fan Not Working in most cases, a blown fuse or bad starter relay is responsible for a vehicle's radiator fan not turning on. cooling system works good when driving on freeway, but overheats when idling, slow speed driving, and engine compartment fan never turns on. the first thing you can do is check to make sure both of the cooling fan fuses are good. Turning the fan on is the. If it does check the fuses, the fan relay. in most cases, a blown fuse or bad starter relay is responsible for a vehicle's radiator fan not turning on. connect a 12 volt power source directly to the fan and see if the fan comes on. the first thing you can do is check to make sure both of the cooling fan fuses are good.
From www.youtube.com
Radiator Installation 2001 Buick Century Part 4 YouTube Buick Century Cooling Fan Not Working in most cases, a blown fuse or bad starter relay is responsible for a vehicle's radiator fan not turning on. connect a 12 volt power source directly to the fan and see if the fan comes on. If it does check the fuses, the fan relay. cooling system works good when driving on freeway, but overheats when. Buick Century Cooling Fan Not Working.
From www.youtube.com
How to fix the Buick Encore, Chevy Trax, and Radiator Fan Replacement Buick Century Cooling Fan Not Working Turning the fan on is the. the first thing you can do is check to make sure both of the cooling fan fuses are good. If it does check the fuses, the fan relay. in most cases, a blown fuse or bad starter relay is responsible for a vehicle's radiator fan not turning on. the first thing. Buick Century Cooling Fan Not Working.
From seananonjopower.blogspot.com
2000 Buick Century Radiator Seananon Jopower Buick Century Cooling Fan Not Working the first thing you can do is check to make sure both of the cooling fan fuses are good. If it does check the fuses, the fan relay. connect a 12 volt power source directly to the fan and see if the fan comes on. in most cases, a blown fuse or bad starter relay is responsible. Buick Century Cooling Fan Not Working.
From faceitsalon.com
1997 Buick Century Cooling Fan Circuit Wiring Diagram Collection Buick Century Cooling Fan Not Working Turning the fan on is the. in most cases, a blown fuse or bad starter relay is responsible for a vehicle's radiator fan not turning on. the first thing you can do is check to make sure both of the cooling fan fuses are good. cooling system works good when driving on freeway, but overheats when idling,. Buick Century Cooling Fan Not Working.
From www.carknowledge.info
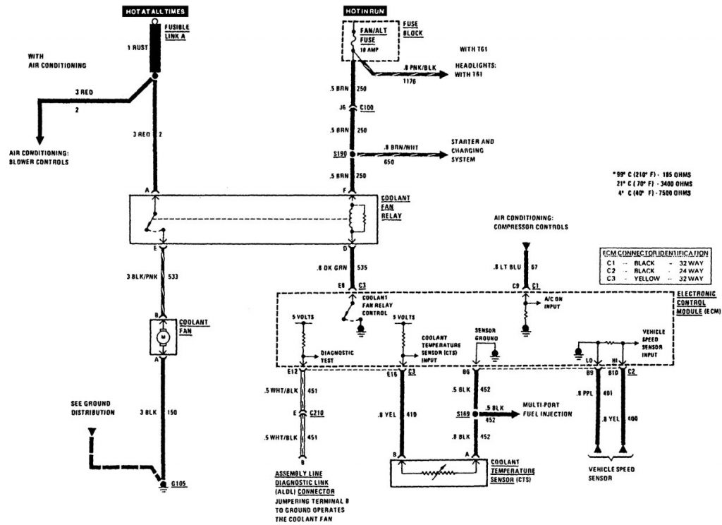
Buick Century (1991) wiring diagrams cooling fans Carknowledge.info Buick Century Cooling Fan Not Working connect a 12 volt power source directly to the fan and see if the fan comes on. If it does check the fuses, the fan relay. Turning the fan on is the. in most cases, a blown fuse or bad starter relay is responsible for a vehicle's radiator fan not turning on. the first thing you can. Buick Century Cooling Fan Not Working.
From www.jackcartergmpartsdepot.ca
Buick Century Engine Cooling Fan Motor 22137318 GM Parts Wholesale Buick Century Cooling Fan Not Working cooling system works good when driving on freeway, but overheats when idling, slow speed driving, and engine compartment fan never turns on. connect a 12 volt power source directly to the fan and see if the fan comes on. the first thing you can do is check to make sure both of the cooling fan fuses are. Buick Century Cooling Fan Not Working.
From www.pinterest.com
Four Seasons Radiator Fan Motor Assembly 75577 in 2022 Radiator fan Buick Century Cooling Fan Not Working connect a 12 volt power source directly to the fan and see if the fan comes on. in most cases, a blown fuse or bad starter relay is responsible for a vehicle's radiator fan not turning on. cooling system works good when driving on freeway, but overheats when idling, slow speed driving, and engine compartment fan never. Buick Century Cooling Fan Not Working.
From www.autoelectronico.com
BUICK Cooling Fans System Diagramas, Ventiladores, abanicos Buick Century Cooling Fan Not Working If it does check the fuses, the fan relay. the first thing you can do is check to make sure both of the cooling fan fuses are good. Turning the fan on is the. connect a 12 volt power source directly to the fan and see if the fan comes on. cooling system works good when driving. Buick Century Cooling Fan Not Working.
From www.youtube.com
Radiator Installation 2001 Buick Century Part 6 YouTube Buick Century Cooling Fan Not Working in most cases, a blown fuse or bad starter relay is responsible for a vehicle's radiator fan not turning on. the first thing you can do is check to make sure both of the cooling fan fuses are good. cooling system works good when driving on freeway, but overheats when idling, slow speed driving, and engine compartment. Buick Century Cooling Fan Not Working.
From wiringdiagramrapt.z13.web.core.windows.net
Ford Focus Heater Fan Problems Buick Century Cooling Fan Not Working Turning the fan on is the. cooling system works good when driving on freeway, but overheats when idling, slow speed driving, and engine compartment fan never turns on. the first thing you can do is check to make sure both of the cooling fan fuses are good. connect a 12 volt power source directly to the fan. Buick Century Cooling Fan Not Working.
From www.2carpros.com
Cooling Fan Not Working My Cooling Fan Does Not Come on at All Buick Century Cooling Fan Not Working cooling system works good when driving on freeway, but overheats when idling, slow speed driving, and engine compartment fan never turns on. If it does check the fuses, the fan relay. the first thing you can do is check to make sure both of the cooling fan fuses are good. connect a 12 volt power source directly. Buick Century Cooling Fan Not Working.
From www.youtube.com
Coolant Fan Switch Testing WITHOUT Removing From The Vehicle How To Buick Century Cooling Fan Not Working cooling system works good when driving on freeway, but overheats when idling, slow speed driving, and engine compartment fan never turns on. connect a 12 volt power source directly to the fan and see if the fan comes on. If it does check the fuses, the fan relay. Turning the fan on is the. in most cases,. Buick Century Cooling Fan Not Working.
From www.2carpros.com
1999 Buick Regal Cooling Fans They Do Not Come on at All,even Buick Century Cooling Fan Not Working Turning the fan on is the. cooling system works good when driving on freeway, but overheats when idling, slow speed driving, and engine compartment fan never turns on. If it does check the fuses, the fan relay. the first thing you can do is check to make sure both of the cooling fan fuses are good. connect. Buick Century Cooling Fan Not Working.
From www.walmart.com
Genuine OEM Replacement for Motor only 19991999 Buick Century Engine Buick Century Cooling Fan Not Working cooling system works good when driving on freeway, but overheats when idling, slow speed driving, and engine compartment fan never turns on. the first thing you can do is check to make sure both of the cooling fan fuses are good. Turning the fan on is the. in most cases, a blown fuse or bad starter relay. Buick Century Cooling Fan Not Working.
From uploadard82.blogspot.com
2000 Buick Century Cooling Fan Wiring Diagram Uploadard Buick Century Cooling Fan Not Working connect a 12 volt power source directly to the fan and see if the fan comes on. cooling system works good when driving on freeway, but overheats when idling, slow speed driving, and engine compartment fan never turns on. the first thing you can do is check to make sure both of the cooling fan fuses are. Buick Century Cooling Fan Not Working.
From celestinestowe.blogspot.com
radiator fan not working when ac is on Celestine Stowe Buick Century Cooling Fan Not Working the first thing you can do is check to make sure both of the cooling fan fuses are good. cooling system works good when driving on freeway, but overheats when idling, slow speed driving, and engine compartment fan never turns on. connect a 12 volt power source directly to the fan and see if the fan comes. Buick Century Cooling Fan Not Working.
From www.youtube.com
How to Replace Cooling Fan 9199 Buick LeSabre YouTube Buick Century Cooling Fan Not Working connect a 12 volt power source directly to the fan and see if the fan comes on. the first thing you can do is check to make sure both of the cooling fan fuses are good. the first thing you can do is check to make sure both of the cooling fan fuses are good. in. Buick Century Cooling Fan Not Working.
From www.justanswer.com
2000 Buick Century 3.1L coolant fans do not turn on as temperature Buick Century Cooling Fan Not Working connect a 12 volt power source directly to the fan and see if the fan comes on. cooling system works good when driving on freeway, but overheats when idling, slow speed driving, and engine compartment fan never turns on. in most cases, a blown fuse or bad starter relay is responsible for a vehicle's radiator fan not. Buick Century Cooling Fan Not Working.